Řízení krokového motoru
Řízení krokového motoru
Ahojte,
vedel by mi niekto prosím pomôcť s jednoduchším návrhom riadenia krokového motora? Tento chcem použiť na pohon paralaktického stolčeka.
Mám krokáč z EPSON ihl. tlačiarne s krokom 1,8° (200 krokov na otáčku), 6 prípojných vodičov, zdrojové napätie 12V. Ideálny by bol návrh jednoduchého budiča, bez nutnosti znalosti programovania IO.
Budič KM by mal zvládnuť:
- zmenu frekvencie otáčok KM
- zmenu smeru točenia
Predpokladám základnú frekvenciu otáčok 1/min, čo zabezpečí správnu rýchlosť otvárania stolca pri stúpaní závitovej tyče 1 mm.
Otázne je, či krútiaci moment tohoto KM je dostatočný pri otáčkach 1/min. Ak nie asi budem musieť použiť prevody z tej tlačiarne.
Dopredu ďakujem za vaše nápady.
vedel by mi niekto prosím pomôcť s jednoduchším návrhom riadenia krokového motora? Tento chcem použiť na pohon paralaktického stolčeka.
Mám krokáč z EPSON ihl. tlačiarne s krokom 1,8° (200 krokov na otáčku), 6 prípojných vodičov, zdrojové napätie 12V. Ideálny by bol návrh jednoduchého budiča, bez nutnosti znalosti programovania IO.
Budič KM by mal zvládnuť:
- zmenu frekvencie otáčok KM
- zmenu smeru točenia
Predpokladám základnú frekvenciu otáčok 1/min, čo zabezpečí správnu rýchlosť otvárania stolca pri stúpaní závitovej tyče 1 mm.
Otázne je, či krútiaci moment tohoto KM je dostatočný pri otáčkach 1/min. Ak nie asi budem musieť použiť prevody z tej tlačiarne.
Dopredu ďakujem za vaše nápady.
Nikon D80, Nikkor AF 50mm f/1,8, Sigma 100-300mm F/4 EX APO HSM, Triéder BPC 10x50
Řízení krokového motoru
Nejsem odborník a elektronika šla doslova mimo mě. Ale kamarád mi jednodušší ovladač dal dohromady. Je to na bázi čítače a 200kroků motoru na 1 otáčku. Podle převodu se spočítal potřebný krok motoru/s a tou byla základní rychlost,která se dá upravovat měničem. Druhé nastavení je počítáno v násobcích základní rychlosti podle směru korekce.
Hodně informací se čerpalo z jednoduchých schémat zapojení krokových motorů a z odkazů na poncetové plošiny. Na netu toho najdeš dost.
K dokonalému pohonu to má sice daleko,ale na pozorování to stačí.
Hodně informací se čerpalo z jednoduchých schémat zapojení krokových motorů a z odkazů na poncetové plošiny. Na netu toho najdeš dost.
K dokonalému pohonu to má sice daleko,ale na pozorování to stačí.
SW102/500, SW ED100/900, R100/1500, R125/1583, N127/646, R140/1543, R150/1800, C150/2250, N152/1178, N170/1022, NCN310/1768/5970,... + další sklíčka do 0,75m.
- Miloš Hroch
- Příspěvky: 861
- Registrován: 23. 09. 2005, 20:39
Řízení krokového motoru
Někde tady na fóru bylo od Honzy Špuláka (HonzaS) schéma přesně k tomu co chceš. Zkus se pořádně podívat. Stavěl jsem to a fungovalo to velmi dobře, jen jsem místo RC členu pro řízení frekvence použil obvod LM555, nevím jestli to najdu, ale možná ještě někde mám návrh tišťáku co jsem k tomu dělal. Když to objevím, tak to sem dám.
Řízení krokového motoru
To Kami:
Viem ze na nete je toho dosť, ale ja nie som nejaký expert v oblasti elektrotechniky a preto neviem posúdit či je ten či onen návrh dobrý a hlavne či bude fungovať. Preto vkladám dôveru v členov AF. Určite niekto má svoj návrh ktorý aj v reále dobre funguje.
Viem, že paralaktický stolček nie je práve ideálny, ale s astro foto začínam a myslím si že hneď kupovať EQ-6 nebude šťastné riešenie. Chcem si to ošahať pekne odzačiatku a postupne zisťovať čo potrebujem a čo nie.( EQ-6-ku si pravdepodobne v budúcnosti asi aj tak zaobstarám)
To Hroch:
Ak by si ten návrh našiel budem ti vďačný, presne to potrebujem, niečo overené, čo naozaj v praxi funguje.
Este raz ďakujem a prosím aj ostatných ak majú nejaký návrh aby sa so mnou oň podelili.
Viem ze na nete je toho dosť, ale ja nie som nejaký expert v oblasti elektrotechniky a preto neviem posúdit či je ten či onen návrh dobrý a hlavne či bude fungovať. Preto vkladám dôveru v členov AF. Určite niekto má svoj návrh ktorý aj v reále dobre funguje.
Viem, že paralaktický stolček nie je práve ideálny, ale s astro foto začínam a myslím si že hneď kupovať EQ-6 nebude šťastné riešenie. Chcem si to ošahať pekne odzačiatku a postupne zisťovať čo potrebujem a čo nie.( EQ-6-ku si pravdepodobne v budúcnosti asi aj tak zaobstarám)
To Hroch:
Ak by si ten návrh našiel budem ti vďačný, presne to potrebujem, niečo overené, čo naozaj v praxi funguje.
Este raz ďakujem a prosím aj ostatných ak majú nejaký návrh aby sa so mnou oň podelili.
Nikon D80, Nikkor AF 50mm f/1,8, Sigma 100-300mm F/4 EX APO HSM, Triéder BPC 10x50
Řízení krokového motoru
Zasílám odkazy na paralaktický stolek, včetně odkazu na sestavení controleru pro krokový motorek.
http://www.sweb.cz/jankr/astro1/stolek.htm
Habl
http://www.sweb.cz/jankr/astro1/stolek.htm
Habl
"Krása a rozmanitost ve vesmíru je jedinečná, ale proměnná v čase".
N 150/750 EQ MON2, Coronado PST, binokl 10 x 50,TV Panoptik 24 mm,Lumicon UHC
N 150/750 EQ MON2, Coronado PST, binokl 10 x 50,TV Panoptik 24 mm,Lumicon UHC
Řízení krokového motoru
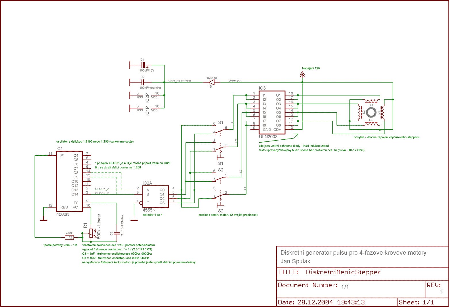
Spomínaná schéma od Honzy Špuláka (HonzaS) :
http://www.combat.szm.sk/schema-stepper.gif
http://www.combat.szm.sk/schema-stepper.gif
Řízení krokového motoru
Páni, ďakujem vám, teraz sa môžem dať do práce a pekne to dať všetko dokopy. Este raz ďakujem 
Nikon D80, Nikkor AF 50mm f/1,8, Sigma 100-300mm F/4 EX APO HSM, Triéder BPC 10x50
- Miloš Hroch
- Příspěvky: 861
- Registrován: 23. 09. 2005, 20:39
Řízení krokového motoru
Tady jsou slíbené podklady pro výrobu tištěného spoje:
www.astronom.cz/procyon/af/dps.tif
www.astronom.cz/procyon/af/osaz.jpg
Originál desky v EAGLE bohužel zmizel někde v propadlišti dějin, tak jsem alespoň ofotil předlohu a osazenou desku. Podle toho by to mělo jít vyrobit. Zapojení je stejné jako to Honzovo, jen jako oscilátor je použit LM555.
Ještě pár poznámek:
1) na plošňáku jsou červenými čarami naznačeny dvě drátové propojky, ty je nutné z obrázku před tiskem vyretušovat.
2) při výrobě předlohy pro osvit desky si dej pozor, kterou stranu fólie dáváš na desku, ať to nemáš zrcadlově převrácené. Pro snadnější orientaci je na desce text, podle kterého to jde snadno zorientovat.
3) odpor potenciometru určuje frekvenci oscilátoru, budeš asi muset najít pro své rozměry pantového stolku vhodnou hodnotu.
www.astronom.cz/procyon/af/dps.tif
www.astronom.cz/procyon/af/osaz.jpg
Originál desky v EAGLE bohužel zmizel někde v propadlišti dějin, tak jsem alespoň ofotil předlohu a osazenou desku. Podle toho by to mělo jít vyrobit. Zapojení je stejné jako to Honzovo, jen jako oscilátor je použit LM555.
Ještě pár poznámek:
1) na plošňáku jsou červenými čarami naznačeny dvě drátové propojky, ty je nutné z obrázku před tiskem vyretušovat.
2) při výrobě předlohy pro osvit desky si dej pozor, kterou stranu fólie dáváš na desku, ať to nemáš zrcadlově převrácené. Pro snadnější orientaci je na desce text, podle kterého to jde snadno zorientovat.
3) odpor potenciometru určuje frekvenci oscilátoru, budeš asi muset najít pro své rozměry pantového stolku vhodnou hodnotu.
Řízení krokového motoru
To Hroch:
Dík za ochotu ušetril si mi robotu s návrhom plošného spoja. Cez víkend sa do toho pustím a snáď to dám dokopy.
Dík za ochotu ušetril si mi robotu s návrhom plošného spoja. Cez víkend sa do toho pustím a snáď to dám dokopy.
Nikon D80, Nikkor AF 50mm f/1,8, Sigma 100-300mm F/4 EX APO HSM, Triéder BPC 10x50
- Miloš Hroch
- Příspěvky: 861
- Registrován: 23. 09. 2005, 20:39
Řízení krokového motoru
Čistě náhodou jsem objevil originál návrhu desky v EAGLEu + originál vyexportovaný TIFF, který je rozhodně v lepší kvalitě než ten ofotografovaný z papírové předlohy. Takže kdyby měl ještě někdo zájem tak je to celé ke stažení tady:
http://www.astronom.cz/procyon/af/stepperctrl.zip
http://www.astronom.cz/procyon/af/stepperctrl.zip
Řízení krokového motoru
Nazdar páni,
To Hroch:
Urobil som plošák z pôvodnej predlohy, ale krokáč sa nehýbe. Tie červené prepoje sú potrebné? Pravdupovediac nešiel ani s nimi ani bez nich. Motor len vrní a na pootočenie rukou cítim citeľný odpor.
Pravdepodobne neviem správne zapojenie cievok v motore. Konektor má 5 pinov, predpokladám čierny+, oranžový L1, modrý L2, žltý L3, červený L4. Je to stepper MINIBEA 17PM-K041-P3. Je zo starej tlačiarne, 50 krokov/ot. Nepozná niekto jeho zapojenie? Resp. ako viem jednoducho zistiť, ako ho správne pripojiť? Ďakujem za všetky rady.
To Hroch:
Urobil som plošák z pôvodnej predlohy, ale krokáč sa nehýbe. Tie červené prepoje sú potrebné? Pravdupovediac nešiel ani s nimi ani bez nich. Motor len vrní a na pootočenie rukou cítim citeľný odpor.
Pravdepodobne neviem správne zapojenie cievok v motore. Konektor má 5 pinov, predpokladám čierny+, oranžový L1, modrý L2, žltý L3, červený L4. Je to stepper MINIBEA 17PM-K041-P3. Je zo starej tlačiarne, 50 krokov/ot. Nepozná niekto jeho zapojenie? Resp. ako viem jednoducho zistiť, ako ho správne pripojiť? Ďakujem za všetky rady.
Nikon D80, Nikkor AF 50mm f/1,8, Sigma 100-300mm F/4 EX APO HSM, Triéder BPC 10x50
Řízení krokového motoru
Ohm metrem.Je to unipolární motor- jeden drát je společný střed obou vinutí - tam je odpor poloviční proti odporu jiných přívodů.A některé vývody nejsou spojené tudíž jsou z druhého vinutí.Jasné :-/.
Řízení krokového motoru
Zkus se podívat k výrobci: http://www.eminebea.com/content/html/en ... ndex.shtml
možná to pomůže...
možná to pomůže...
KOvář JAROslav
- Miloš Hroch
- Příspěvky: 861
- Registrován: 23. 09. 2005, 20:39
Řízení krokového motoru
to Keram:
Ty drátové propojky tam samozřejmě být musí. Jinak není důvod aby to nefungovalo. Krokový motorek ke kterému jsem to měl, byl ze staré tiskárny, typ už nevím a na počet vývodů se budu muset podívat, až budu doma. Pár věcí které zkus zkontrolovat:
1) Napájení. Ten můj krokáč běhal od cca 9-10 V výše
2) Zapojení integrovaných obvodů, zda je nemáš otočené.
3) Zapojení cívek krokového motorku. V případě, že to máš nějak otočené nebo prohozené, může sebou motorek jen cukat tam a zpět.
4) Když vezmeš LED diodu, dáš před ní odpor cca 0.5-1 kiloohm a připojíš na kterýkoliv výstup proti napájecí větvi, tak musí blikat (záleží samozřejmě na nastavené frekvenci). S tím souvisí i případná kontrola oscilátoru a děličky kmitočtu, nejlépe vyzkoušet třeba pomocí takového toho piezoelektrického reproduktorku nebo něčeho podobného (předpokládám, že osciloskop doma nemáš).
Ty drátové propojky tam samozřejmě být musí. Jinak není důvod aby to nefungovalo. Krokový motorek ke kterému jsem to měl, byl ze staré tiskárny, typ už nevím a na počet vývodů se budu muset podívat, až budu doma. Pár věcí které zkus zkontrolovat:
1) Napájení. Ten můj krokáč běhal od cca 9-10 V výše
2) Zapojení integrovaných obvodů, zda je nemáš otočené.
3) Zapojení cívek krokového motorku. V případě, že to máš nějak otočené nebo prohozené, může sebou motorek jen cukat tam a zpět.
4) Když vezmeš LED diodu, dáš před ní odpor cca 0.5-1 kiloohm a připojíš na kterýkoliv výstup proti napájecí větvi, tak musí blikat (záleží samozřejmě na nastavené frekvenci). S tím souvisí i případná kontrola oscilátoru a děličky kmitočtu, nejlépe vyzkoušet třeba pomocí takového toho piezoelektrického reproduktorku nebo něčeho podobného (předpokládám, že osciloskop doma nemáš).
- jozopovazan
- Příspěvky: 247
- Registrován: 05. 03. 2008, 21:52
Řízení krokového motoru
10" dobson, 10x50, bresser R90